圓盤給料機
圓盤給料機是一種使用廣泛的連續式容積加料設備,能均勻連續地將物料喂送到下一設備中,喂料量可以調節,可喂送粉狀、小塊狀的物料(如煤粉、粘土等),是一般磨機、烘干機的常用配套設備。其中,DK型為吊開式圓盤給料機,DB型為吊閉式圓盤給料機。
圓盤給料機產品概述:
圓盤給料機是一種使用廣泛的連續式容積加料設備,能均勻連續地將物料喂送到下一設備中,喂料量可以調節,可喂送粉狀、小塊狀的物料(如煤粉、粘土等),是一般磨機、烘干機的常用配套設備。其中,DK型為吊開式,DB型為吊閉式。圓盤給料機廣泛適用于冶金、礦山、建材、煤炭、電力等行業的各種非粘性物料的喂送。
圓盤給料機為容積式計量的給料設備,它能均勻、連續地將物料喂送到下一道工序,并且能夠承受較大的倉壓。圓盤給料機作為細粒物料給料設備,適用于運送粉狀、料狀或小塊狀態的各種非粘性物料,如煤粉、水泥、熟料、石灰石、頁巖、煤矸石、粘土等粉狀、粒狀或小塊狀物料。可廣泛應用于選金廠,采煤廠與化工,基建及機械化的鑄造車間等作連續均勻、定量的給料和配料之用。本機構造簡單,調整方便,性能優越。本機適用輸送物料粒度不大于50mm,不適宜輸送粘性較大、不易流動的物料和流動性特別好的物料。
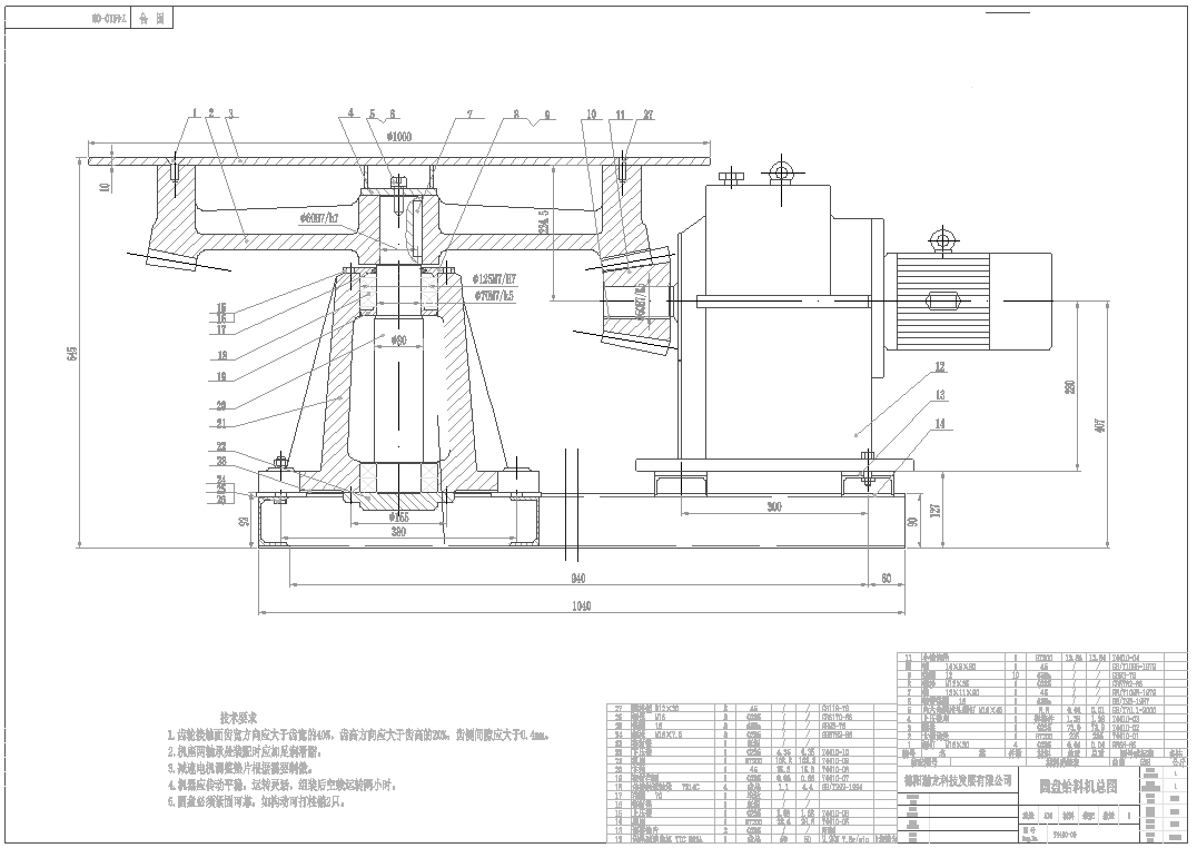
圓盤給料機圖紙:

圓盤給料機是一種容積計量的給料(配料)設備,廣泛應用于冶金、化工、煤炭、建材及電力等工業部門,它的優點是結構簡單,給料均勻、準確,運行平穩可靠,承載量大,調節方便,調節范圍較寬,維護管理筒便,與料倉連接的出料口尺寸較大,便于安裝和物料的排料。
圓盤給料機系座式安裝,傳動結構封閉,能在料塵較多的工作環境下工作,具承載力大、檢修周期長的優點。由于能承受較大的料柱壓力,故通常將其直接安裝在料倉下部,向其他設備給料。
圓盤給料機結構特點:
圓盤給料機為吊裝、密閉式。主要用于要求減少漏風或揚塵的系統,從而將環境污染減少到小程度。圓盤給料機結構主體是繞垂直軸旋轉的圓盤。圓盤中部有一位于接料倉下口而高度可調的下料套筒,物料從下料套筒和圓盤的間隙中漏散出來,并被刮板將物料從圓盤上刮落下來。喂料量可通過改變下料套筒和圓盤的間隙大小和卸料位置來調整。設有觀察窗口,可隨時觀測物料的喂送情況及設備的運行情況。
圓盤給料機廠家提示:請通過正規渠道購買奧創圓盤給料機,以保障您的合法權益!
訂購網址請登錄河南奧創機械有限公司官方網站: www.hzyjkj.com.cn 24小時服務熱線:13353676726


